|
|
| |
MARINE DOCK SYSTEMS
45 Wellington Street Riverstone N.S.W 2765 Australia Ph: +61 2 9627 5577
26 Corbould Rd Coolum Beach Qld 4573 Australia Ph: +61 7 5324 1557
Home 
Email 
Enquiry  Links
| |
|
Build Your Own Pontoon.
Residential dock 3.7 x 2.4 mtrs in size.
Looking for a fun and rewarding weekend project? Marine Dock Systems has you covered with our pontoon kits!
Whether you want a full kit or just specific parts, we’ve got options to suit your needs.
Each kit comes with easy-to-read drawings, and our friendly team is here to answer any questions along the way.
We have two options in this size, one with timber decking running accross and the other running the timber lengtways.
All you need is:
One of our kits
A few tools
A spare weekend
Create something amazing with your own hands!
Contact us today to get started.
sales@marinedocksystems.com.au
Phone : 02 9627 5577
Also available fully built.
All Australian made.
Polyethylene floats.
Aluminium and stainless fasteners.
Queensland blackbutt F27 hardwood.
|
|
|
Option 1 - Pontoon#330 Timber decking crossways
Residential pontoon 3.7 mtr x 2.46 mtr Part # PONTOON-330-1
Including 4 x 650 Litre floatation modules
Brackets ans stainless steel fasteners
4 x 300mm cleats
large buffer 3 sides.
Timber required
Framework
150 x 50 (as sawn) 3 x lengths at 3600mm
150 x 50 (as sawn) 2 x lengths at 2460mm
150 x 50 (as sawn) 2 x lengths at 1155mm
Decking
140 x 35 (as sawn) 26 x lengths at 2460mm |
|
|
|
Material list
4 x 650 Litre floats - Part # FLO650 
16 x Float brackets - Part # BKT-FLOAT 
16 x Aluminium float bracket washer - Part # WASHER-1041 
10 x Aluminium Frame Bracket 80x80 angle 140mm - Part # BKT-FRAME-290 
4 x Cast Aluminium Mooring Cleat 300mm - Part # CLEAT-1386 
4 x Aluminium Cleat Bracket 80x80 angle 160mm - Part # BKT-CLEAT-1513 
8 x 1/2" x 5" inch HEX HD BOLT 304 Stainless steel - Part # BOLT-2177
8 x 1/2" NYLOC HEX NUT 304 Stainless steel - Part # NUT-1276
16 x 1/2" x 1" FLAT Washer 304 Stainless steel - Part # WASHER-2178
40 x 3/8" x 2-1/2" inch UNC HEX HD BOLT 304 Stainless steel - Part # BOLT-3240
24 x 3/8" x 3" inch UNC HEX HD BOLT 304 304 Stainless steel - Part # BOLT-370
30 x 3/8" x 3-1/2" inch UNC HEX HD BOLT 304 Stainless steel - Part # BOLT-737
94 x 3/8" NYLOC Nut 304 Stainless steel - Part # NUT-371
172 x 3/8" X 1" ROUND FLAT Washer 304 Stainless steel - Part # WASHER-372
16 x 3/8" X 1-1/2" ROUND FLAT Washer Stainless steel - Part # WASHER-296
9 x White PVC Buffer / Fender large "D" Section 80mm - Part # BUFFER-373
(2 x 2400mm long (sides) and 1 x 3650mm long (front edge)
3 x Aluminum slide in suit large "D" Section buffer 4mtr Lengths - Part # AL-527
31 x 14G x 75mm Hex head Stainless steel buffer screws - Part # SCREW-731
110 x 14G x 75mm Bugle batten head Stainless steel decking screws - Part # SCREW-1140
1 x Tube anti seize compound (apply to Stainless steels bolt threads - Part # ANTI-792
2 x Litres Decking oil
|
|
|
|
Option 2 - Pontoon#330 Timber decking lengthways
Residential pontoon 3.7 mtr x 2.46 mtr Part # PONTOON-330-2
Including 4 x 650 Litre floatation modules
Brackets ans stainless steel fasteners
4 x 300mm cleats
large buffer 3 sides.
Timber required
Framework
150 x 50 (as sawn) 3 x lengths at 3600mm
150 x 50 (as sawn) 2 x lengths at 2460mm
150 x 50 (as sawn) 2 x lengths at 1155mm
100 x 50 (as sawn) 4 x lengths at 1155mm
Decking
140 x 35 (as sawn) 17 x lengths at 3700mm |
|
|
|
Material list
4 x 650 Litre floats - Part # FLO650 
16 x Float brackets - Part # BKT-FLOAT 
16 x Aluminium float bracket washer - Part # WASHER-1041 
10 x Aluminium Frame Bracket 80x80 angle 140mm - Part # BKT-FRAME-290 
8 x Aluminium Frame Bracket 80x80 angle 90mm - Part # BKT-FRAME-291 
4 x Cast Aluminium Mooring Cleat 300mm - Part # CLEAT-1386 
4 x Aluminium Cleat Bracket 80x80 angle 160mm - Part # BKT-CLEAT-1513 
8 x 1/2" x 5" inch HEX HD BOLT 304 Stainless steel - Part # BOLT-2177
8 x 1/2" NYLOC HEX NUT 304 Stainless steel - Part # NUT-1276
16 x 1/2" x 1" FLAT Washer 304 Stainless steel - Part # WASHER-2178
40 x 3/8" x 2-1/2" inch UNC HEX HD BOLT 304 Stainless steel - Part # BOLT-3240
24 x 3/8" x 3" inch UNC HEX HD BOLT 304 304 Stainless steel - Part # BOLT-370
30 x 3/8" x 3-1/2" inch UNC HEX HD BOLT 304 Stainless steel - Part # BOLT-737
94 x 3/8" NYLOC Nut 304 Stainless steel - Part # NUT-371
172 x 3/8" X 1" ROUND FLAT Washer 304 Stainless steel - Part # WASHER-372
16 x 3/8" X 1-1/2" ROUND FLAT Washer Stainless steel - Part # WASHER-296
9 x White PVC Buffer / Fender large "D" Section 80mm - Part # BUFFER-373
3 x Aluminum slide in suit large "D" Section buffer 4mtr Lengths - Part # AL-527
(2 x 2400mm long (sides) and 1 x 3650mm long (front edge)
31 x 14G x 75mm Hex head Stainless steel buffer screws - Part # SCREW-731
110 x 14G x 75mm Bugle batten head Stainless steel decking screws - Part # SCREW-1140
1 x Tube anti seize compound (apply to Stainless steels bolt threads - Part # ANTI-792
2 x Litres Decking oil
|
|
|
|
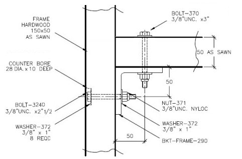
Frame bracket Part # BKT-FRAME-290
|
|
Frame bracket install drawing shown with countersunk bolt head


|
 4 x 650 litre floats and frame with top mount ramp supports. |
|
 With Buffer on 3 sides. Including 4 cleats. |
3.7 x 2.46 Pontoons with aluminium frames.
 

Pontoon330 shown here, with tow ramp.
|
| |
MARINE DOCK SYSTEMS
45 Wellington Street Riverstone N.S.W 2765 Australia Ph: +61 2 9627 5577
26 Corbould Rd Coolum Beach Qld 4573 Australia Ph: +61 7 5324 1557
Home 
Email 
Enquiry  Links
| |
|
|
|